Чесънът е обичайна култура за отглеждане в селска къща или градина. Той не е капризен, обикновено дава добра реколта. Това е просто, ако малка градина е разпределена за зеленчуци. За обработка на големи площи не може да се направи, без сеялка за чесън.
Съдържание
Какво е улов на чесън
Посяването на всяка култура в градината изисква отговорен подход. Крайният резултат - реколтата зависи от това как се случва това. На пръв поглед изглежда, че засаждането на чесън е съвсем просто нещо е необходимо само на определено разстояние един от друг, за предпочитане в права линия да поставите карамфил в земята.

Но ако лятото резидент реши сее чесън в пролетта на bulbohek, за да стане вече трудно, защото те са много по-малки. Ето защо, за големи крайградски райони или стопанства трябва да закупят сеялка.
Това земеделско звено е отличен асистент в работата. Тя ще улесни ръчния труд, ще спести време и ще подобри качеството на сеитбата, тъй като равномерно разпределя зъбите в района.
Принцип на действие
Основната задача на всички инструменти и технически средства за градината или градината е да улеснят ръчния труд на лятното жилище. Уредът за сеялки за чесън е проектиран така, че да е удобен и лесен за използване. Гръбнакът на продукта е рамката, към която са прикрепени железния корпус и неговите компоненти:
- Звездичката;
- верига;
- редуктор;
- Контейнер.

Сеялката е оборудвана със специални железни дискове, които равномерно разпределят скилидки чесън в един слой. В зависимост от избрания модел, оборудването може да бъде оборудвано с едно или две колела.
На върха на оборудването е специален контейнер за семена. Отварящото устройство прави бразда на дълбочина 15-20 см. Веднага има улавяне на чесън скилидки от контейнера и тяхното равномерно потапяне в земята. Някои плантатори са оборудвани с контейнер с вода, през който се извършва едновременно поливане на семената.
Задачи, които трябва да се справят с бормашината:
- Уверете се, че те са равномерно разположени на равни разстояния. редици;
- Унифицирано разпределение на карамфил, без образуване на кухини или места с гъста сеитба;
- Издържайте право дълбочина на засяване.
Ползите от използването на домашно приготвен чесън
Домашното сеялце има следните предимства в сравнение със сходни, но закупени в магазина:

- евтинията, Възможно е лятото да има част от необходимите резервни части, а закупуването на допълнителни части няма да бъде скъпо.Освен това, в самостоятелно изработени единици винаги можете да замените по-скъпата резервна част с по-евтина;
- удобство, Домашното оборудване винаги може да бъде оборудвано с практични приспособления. В този случай той може да бъде един или повече контейнери за полагане на зъби, контейнер за напояване и други подобни;
- гъвкавост, Този дизайн може да се използва не само за засаждане на чесън, но и за засаждане на други култури. За да направите това, просто трябва да направите няколко подвижни контейнера за засаждане на семена с различни дупки.
Монтажни модели
Всяка година нови модели сеялки се появяват на пазара на селскостопанска техника. Тя може да бъде единица, както за големи ферми, така и малки проекти за малки крайградски райони.
Помислете за най-популярните модели сред земеделските производители:
За разходка

Моторните блокове са незаменимото оборудване, широко използвано в селското стопанство. Като основа за засаждащите, можете да изберете трактор, задвижван от задните колела на всеки местен производител: Рей, Ока, Бизон и др.Предимствата на такъв сеяч са лекота на използване, тъй като не изисква допълнителен ръчен труд. Недостатъците включват необходимостта от закупуване на гориво за мотоблок.
наръчник

Такова устройство за засаждане на чесън е по-лесно за работа. От градинаря ще са необходими ръчна настройка, транспортиране до обекта и прилагане на усилия за придвижване на оборудването в процеса на сеитба. Предимствата включват ефективност, тъй като няма нужда да се харчат пари за гориво. Недостатъците са големите разходи за време и мощност, в сравнение със сеялка за трактора.
Четири реда

Особеността на това устройство е точното приземяване на скилидки чесън в 4 реда. Предимствата на технологията включват лекота на използване и възможност за използване на всякакъв вид почви.
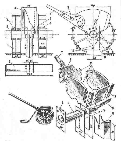
Как да направите растение за чесън направете го сами
За човек, който е малко запознат с технологията на устройството Процесът на създаване на ръчно засаждане за чесън няма да бъде труден. Освен това, обикновено в домашния гараж ще има всички необходими части и компоненти. Ето защо тази техника няма да бъде много скъпа.
Преди да започнете работа, е необходимо да разберете какви задачи трябва да изпълнява плантаторът и да начертаете няколко работни чертежа. Тогава ще се определи с наличието на необходимите части, за да се купят всички необходими и да се пристъпи директно към производствения процес.

За да се създаде ръчна бормашина, са необходими следните части и механизми:
- капацитетв който ще се приготвят чесън скилидки;
- ротационен вал;
- Специални четки, които ще бъдат монтирани на вала, за да уловят скилидките чесън и да осигурят еднаквост на тяхното разпределение в почвата;
- колело (или две, в зависимост от това коя рисунка, изборът е спрян);
- ралник, за получаване на бразда с необходимата дълбочина и ширина;
- дръжки, който ще държи дизайна и ще бъде изпратен в правилната посока.
За да се осигури еднакво прилягане, контейнерът за карамфил трябва да бъде снабден с двойно дъно. В нея се вкарва подвижна плоча, в която се прави отвор, който съвпада с диаметъра на входящите и изходните отвори. С помощта на плоча се регулира потокът от семена.
Всеки летен жител самостоятелно избира най-удобното оборудване за работа. Ако няма култивация на чесън в индустриален мащаб, в огромна зона, тогава най-добрият избор е ръчно засаждане, или самоизработено сеялка. Тя е лесна за работа, икономична и гъвкава.